krkaufman
Very Senior Member
You wanted another point of failure? Challenge accepted!MoCA adapters is another point of failure.

(for comparison)
You wanted another point of failure? Challenge accepted!MoCA adapters is another point of failure.

Good to know and certainly appreciate your input! I think for the time being, I'll keep MoCA in my current setup in the near term, but will not move forward in purchasing another adapter to put in the closet.Depends on cable and termination quality, but Cat5e can actually do up to 10 Gbps ... at shorter distances (<45m). (link) Added to the full duplex nature of Ethernet and direct connections to a GigE or better switch, CATx cabling would have far greater overall throughput relative to a shared MoCA 2.5 network, as diagrammed. Even with dedicated MoCA pairs and 2.5 GbE gear, a MoCA 2.5 link is roughly equivalent to full duplex 1.25 Gbps, with unidirectional max of 2.5 Gbps -- both of which would under-utilize the associated 2.5 GbE gear required to achieve the speeds.
Then there's the latency. MoCA will add a bit of latency relative to a direct Ethernet connection, so Ethernet would still be preferred even were throughput equivalent.
If Cat5e+ is possible, it's the way to go; MoCA's a solid fallback, but a fallback.
Worst case, if your Cat5e cables *are* limited to 1 Gbps (full duplex), they still offer superior performance to a shared MoCA network, and the cost of getting them working, tools & parts included, should be less than a single additional retail MoCA adapter. And if well terminated, as linked, you can then use some 2.5 GbE gear (or better) running iPerf3 to test each line's effective throughput max.
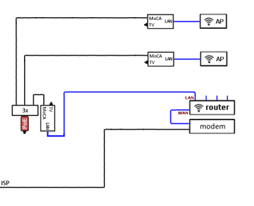
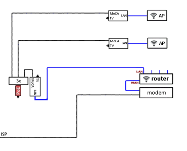
Which includes a diagram explicitly showing how I’d recommend connecting everything, for reasons cited in the bullets at the bottom of this post (including why BAMF splitters aren’t recommended). YMMV.Going off of your post #17 above,
Which includes a diagram explicitly showing how I’d recommend connecting everything, for reasons cited in the bullets at the bottom of this post (including why BAMF splitters aren’t recommended). YMMV.
edit: That said, your diagram should function. I don’t recommend BAMF splitters; I prefer a different topology; and the “PoE” MoCA filter on the isolated modem feed shouldn’t be necessary, and would need to be removed down the road to support higher DOCSIS frequencies.

Yes. Like you suggested, keeps changes to a minimum.Is that a terminator cap on the PoE filter in your diagram?
No pics needed if you feel you have a handle on it; sounds like you do.will try to get pics of the CAT wiring in the closet and back of the wall plate in my office
No pics needed if you feel you have a handle on it; sounds like you do.
and I don't have a tone tracer or anything
Aside from the above, here's a post from over on reddit highlighting the basic tasks in reworking phone lines for networking:
The above link offers some alternatives:Guess I'll just add keystone terminators at each of the available CAT5e cables in the closet
FYI... An alternate approach to Option 3 for when you have that first CATx line between the Closet and Office working ... with probably the least change relative to current, and straying less from the longer-term path leading to all CATx LAN connectivity.Before abandoning all MoCA connectivity, a quick followup as to what Option 3 could look like with the addition of a single CATx cable between the closet and current modem/router location ... after moving the modem to the closet and establishing a direct connection between it and the ISP, sans filters or splits:
View attachment 52225
But as mentioned, Option 1-3 are all moot if you get the CATx lines fully reworked for at least the 3 critical rooms.
.
View attachment 52246



Also beneficial is if you can identify any “MHz” rating within that cable jacket text.there is labeling on them albeit faded but I could make out "CAT 5E".
Agreed! That’s the most critical line of the bunch.In my office, I … was glad to see that it was a CAT5e cable and not the CAT 5 cable.
A keystone blank patch panel would be useful in the closet, to hold the keystones in place (protecting the terminations and wiring).My plan is … re-terminate those CAT5e cables with a RJ45 keystone in the closet and upstairs will replace the phone jacks to RJ45 keystones/wallplates.
Or... given the pictured structured media cabinet, a 8-port RJ45 data module (examples) similar to the existing telephone modules might make more sense, were it not for cost.
I don't know if you're "right" or not, but it's certainly a reasonable hypothesis. The exception would be any cable running to the telephone module from the service provider box, and any cable interconnecting the two telephone modules.Side note - am I right to assume that the CAT cables that are routed to the upstairs should lead to the telephone jacks in my upstairs rooms (including my office which is upstairs) and that the cables that look to go down into the crawlspace is meant for the first floor telephone jacks?
Do your 2 other current MoCA adapter locations also have the white Cat5e cabling, like the Office? All good, then, if so, right?The blue colored cables have CAT 5 on the jacket.
Sounds like a plan.I’ll plan to convert 4 of the 5 rooms upstairs that includes my office from telephone jacks to Ethernet ports.
Happy punching!I agree. I'll post an update of my changes once I get everything squared away (hopefully correctly). Appreciate your help and insight @krkaufman!!
| Thread starter | Title | Forum | Replies | Date | 
|---|---|---|---|---|
|  | New MoCA 2.5 Access adapter: Frontier FMT25A | MoCA, HomePlug, HPNA | 1 | 

Welcome To SNBForums
SNBForums is a community for anyone who wants to learn about or discuss the latest in wireless routers, network storage and the ins and outs of building and maintaining a small network.
If you'd like to post a question, simply register and have at it!
While you're at it, please check out SmallNetBuilder for product reviews and our famous Router Charts, Ranker and plenty more!
